公司名稱:云南甲胄科技有限公司
生產地址:北京市北京市
價格:116元/平方米
運費:賣家承擔
聯系人:蘇經理
產品推薦
價格:206
三菱化學MBR膜不斷絲不反洗 自動化運行mbr膜組件
價格:330000
地埋一體化生活污水處理器AO工藝 可租賃+代運營
價格:面議
瓦楞板污水一體化處理設備云南廠家 mbr工藝出水穩定達標
價格:256000元/臺
云南麗江景區污水處理器廠家 市政應急污水處理設備租售
價格:268000元/臺
云南保山農村污水處理器廠家 一體化污水處理器租賃運營改造
價格:236000
云南楚雄污水處理器廠家 租賃售賣一體化移動式污水處理器
價格:320000元/臺
重慶mbr污水處理廠家 一體化設備可租可售 發全國
價格:286000
云南一體化污水處理器設備廠家 可租賃處理量10~5000噸每天有現貨
產品描述
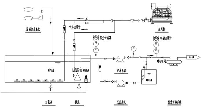
我司云南甲胄科技有限公司主要銷售膜元件、反滲透膜、碧水源MBR中空纖維膜、MBR污水處理設備、實驗室污水處理設備,上門安裝和調試等一條龍服務。

碧水源MBR膜的特點介紹:
■出水水質高:特有梯度網絡膜孔結構,過濾精度高,出水水質優于地表水IV類標準。
■運行能耗低:高低脈沖曝專利技術、三位集水技術,實現系統處理噸水節能20%以上。
■使用壽命長:纖維增強復合制膜技術,膜抗拉強度達200N以上,運行壽命長達5年以上。
■抗污能力強:氣升水力沖刷和親水技術,顯著抗污染能力。
碧水源MBRU系列膜組器的特點:
(1 ) RF膜絲使用壽命長、運行通量高、抗污染性能好;
(2 )槽式曝氣結構,解決了傳統曝氣管積泥問題;
(3 )高低交互曝氣設計,在維持膜穩定運行的前提下,比普通曝氣方式節省約30%的曝氣量;
(4 )三位集水系統保障膜縐件均勻出水;
(5 )采用獨特結構設計,充分強化水力學循環,側流和頂流合理配合,水力對膜表面的清潔效率,同時氧氣利用率;
(6 )自動在線化學清洗,有效控制漠污染運行通量;
(7 )快插式“氣-水接口”,維護的簡便性。

碧水源MBR膜組件的組成介紹:
MBRU系列膜組器包括:集水裝置、膜箱、曝氣裝置、底座等部件,其主要部件如下:
(1)產水法蘭(附帶膠墊):通過產水軟管與主產水管路連接,依據膜組器型號確定法規格;
(2)集水裝置:位于膜箱上部,由集水支管、集水總管和產水管組成;
( 3)[型集水管:用來連接膜組件與出水裝置;
(4)膜箱:內裝膜組件;
(5 )膜組件:膜組件垂直安裝在膜箱內,由位于漠箱上、下橫梁上的定位槽固定;
(6)曝氣裝置:采用槽式曝氣結構,由瀑氣主管、曝氣槽和底部支架組成;
(7 )進氣法蘭(附帶膠墊):膜組器配有進氣法蘭,通過進氣軟管與曝氣總管路連接。

產品展示


