公司名稱:西安新敏電子科技有限公司銷售部
生產地址:陜西省西安市
價格:200
運費:買家承擔
聯系人:趙經理
產品描述
CYB13Y 應變式壓力變送器(高壓力)
一、
產品簡介
CYB13Y應變式壓力變送器是采用高精度、高穩定性的應變式傳感器和高性能專用放大電路板裝入不銹鋼殼體組成。由于應變式傳感器的特點,產品主要用于測量大量程氣體液體壓力,適用于測量各種靜態或變化緩慢的不結晶介質。
傳感器被設計為帶不銹鋼膜片的全不銹鋼體,可適用于各種惡劣環境和腐蝕性介質。標準信號輸出,抗干擾能力強,適用于遠距離傳輸。該變送器可廣泛應用于冶金、電力、石油、化工、醫藥、食品、輕紡、水利、地質等領域對氣體、液體、蒸汽的測量和控制
二、技術性能
量程范圍 | 0~10、20、50、100……200 MPa 300Mpa |
過載壓力 | 2倍滿量程 |
測量介質 | 對不銹鋼無腐蝕的氣體液體 |
輸出信號 | 4~20mA 0~10mA 二線制 |
1~5VDC 0~5VDC 三線制 | |
供電電壓 | 12~36VDC (標定值為24VDC) |
精 確 度 | ±0.1%F.S ±0.2%F.S ±0.3%F.S |
長期穩定性 | ≤±0.2%F.S/年 |
補償溫度 | -10~+70℃ |
介質溫度 | -20~+85℃ |
儲存溫度 | -40~+125℃ |
絕緣電阻 | ≥5000MΩ |
壽 命 | >1×108壓力循環(25℃) |
膜片材料 | 不銹鋼 |
殼體材料 | 1Cr18Ni9Ti |
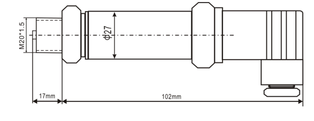
壓力接口 | M20×1.5或用戶自定,大量程在核實 |
電氣連接 | 赫斯曼接頭、航空插頭 |
防爆等級 | ExiaIICT6 |
防護等級 | IP65 |
三、產品特點
1、 測量中高壓力,穩定性好
2、 高精度,全不銹鋼結構
3、 抗干擾強,工作可靠
4、 抗腐蝕性能優良,測量多種介質
5、 小巧精致,安裝方便
6、 本安防爆
四、外型結構

產品展示